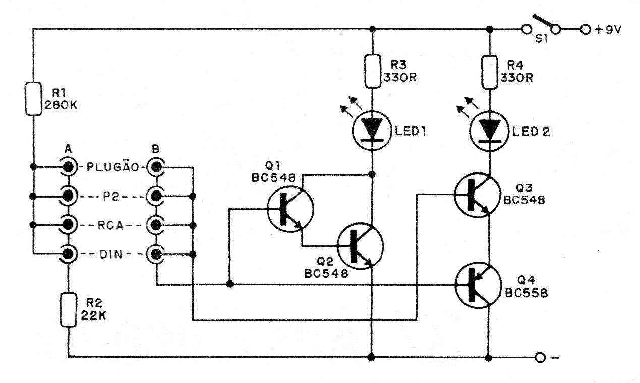
El circuito que se muestra es para la prueba de cables y proporciona indicación de estado mediante LED. El número de cables se puede extender y el circuito funciona con una batería de 9 V. Los enchufes y las tomas están de acuerdo con los cables que se van a probar.




