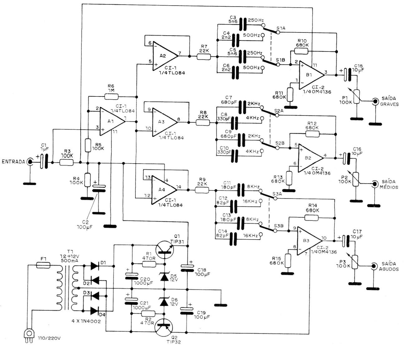
Encontramos este circuito en un artículo de 1988. Es un crossover en el que las frecuencias de separación se pueden seleccionar a través de los capacitores que figuran en la tabla. El circuito debe ser alimentado por una fuente simétrica que ya está incluida en el diseño y los cables de señal deben estar protegidos para evitar zumbidos.

Crossover electrónico




