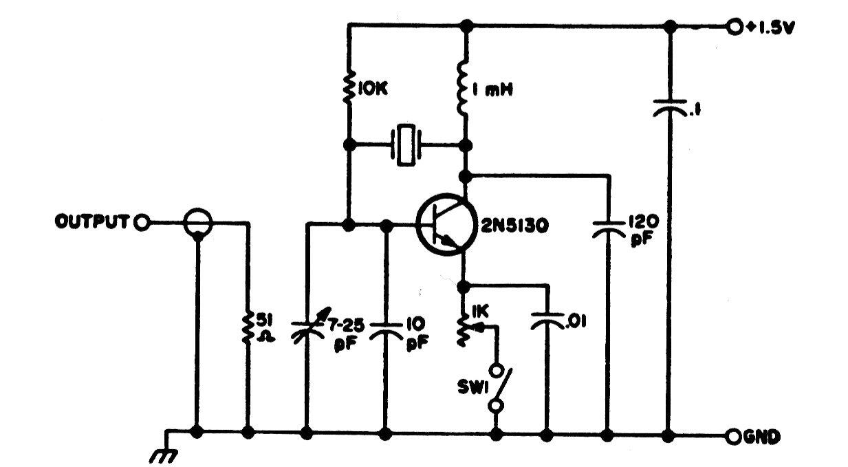
La frecuencia generada por este circuito depende del cristal utilizado. Se pueden generar frecuencias de hasta unas pocas decenas de megaherctz y el transistor puede ser un 2N2222 u otra conmutación con al menos 200 MHz de frecuencia de corte. Los capacitores deben ser de cerámica.




