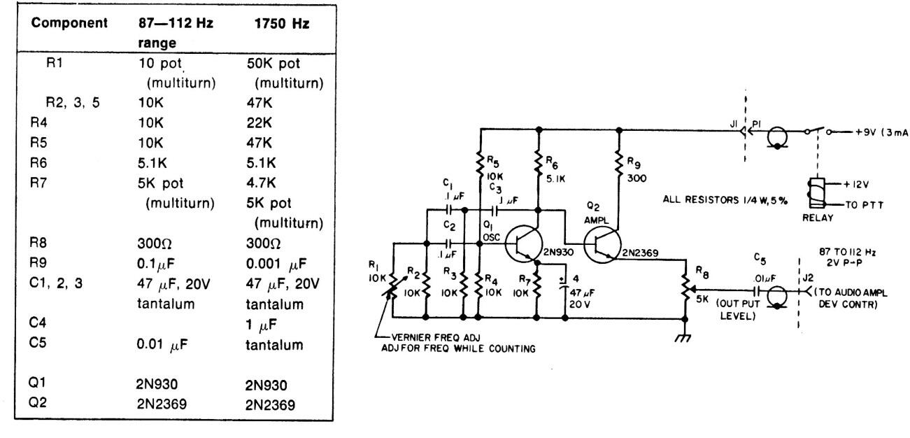
Este circuito se encontró en una vieja documentación de telecomunicaciones de la década de 1970. Es adecuado para aplicaciones en sistemas CTCSS como el silenciador o squelch. Los componentes pueden tener equivalentes. Los valores en el diagrama son para bajas frecuencias.




