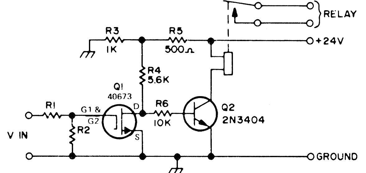
Este circuito de relé con un MOSFET de doble canal (no muy común hoy en día) se encontró en una antigua publicación estadounidense. El circuito utiliza un bipolar como controlador para activar un relé sensible de acuerdo con la tensión utilizada en la fuente de alimentación.




