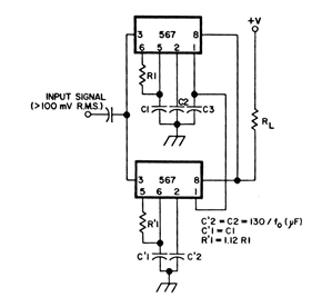
Este circuito fue encontrado en una vieja documentación estadounidense de telecomunicaciones. Los componentes aún se encuentran y puede detectar un tono con un ancho de banda del 24%.

Detector de tono
Este circuito fue encontrado en una vieja documentación estadounidense de telecomunicaciones. Los componentes aún se encuentran y puede detectar un tono con un ancho de banda del 24%.
