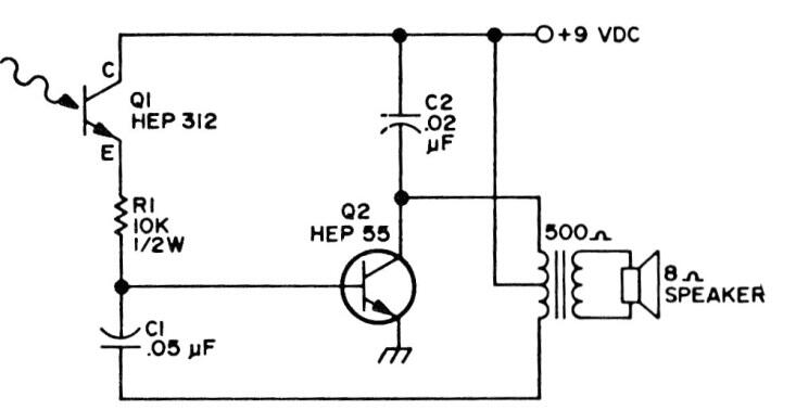
Este oscilador Hartley utiliza un transformador de salida de audio que puede obtenerse de radios de transistores pequeñas y sin uso. El transistor puede ser de uso general y el fototransistor de cualquier tipo. La potencia puede estar entre 6 y 12 V.




