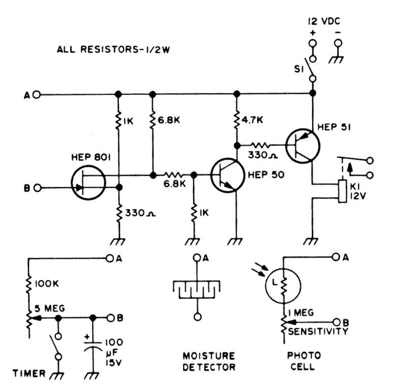
Este circuito se encontró en un esquemário estadounidense de la década de 1970. Se puede usar para varios propósitos, como temporizador, alarma de contacto, luz y más, solo en función de los sectores activados. El relé es del tipo sensible de 12 V y los transistores admiten equivalentes.




