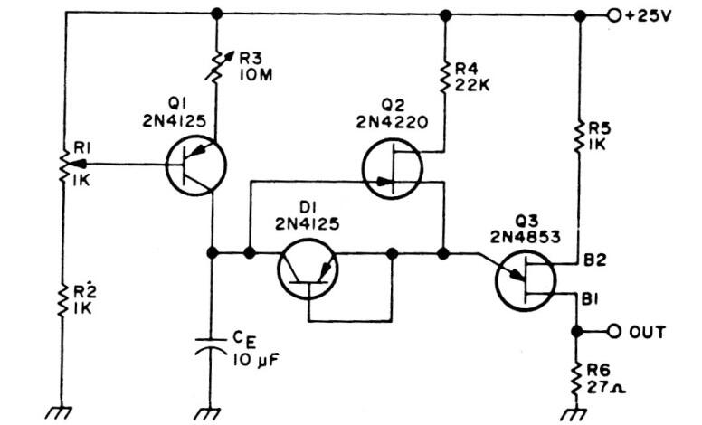
Los tiempos de hasta 10 horas, según el capacitor utilizado, se pueden obtener con este circuito que encontramos en una documentación técnica estadounidense de la década de 1970. Los transistores admiten equivalentes. Circuitos como este aparecen en esta sección pero de otras fuentes.




