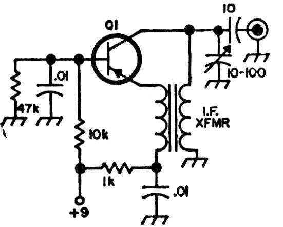
Este circuito se puede usar para escuchar señales SSB en receptores que no tienen la función incorporada. La bobina debe ser un FI de la frecuencia del receptor. El transistor puede ser cualquier tipo ordinario de baja potencia RF.

Generador de frecuencia de batido



