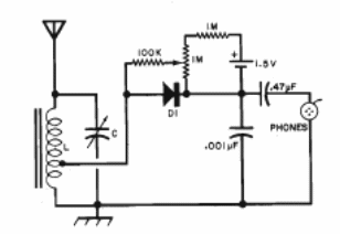
Este circuito es de una publicación de 1977 caracterizada por un ajuste del punto de polarización del diodo (que puede ser germanio o silicio) para obtener una mayor sensibilidad. La bobina consta de 100 vueltas de cable 28 en una varilla de ferrita y el condensador de sintonización se obtiene de una radio de transistor fuera de uso. El auricular debe estar hecho de cristal.




