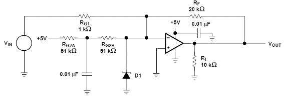
Encontramos este circuito en una documentación técnica de Texas Instruments. El circuito se puede aplicar a cualquier operacional y la ganancia está dada por la relación entre RF y RG. La impedancia de entrada es 1k ohms.

Amplificador Operacional Ganancia 20



