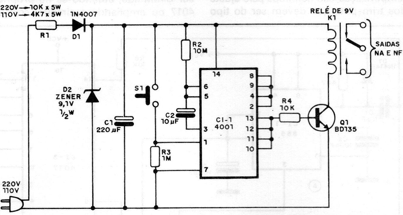
Este circuito puede mantener un conjunto de lámparas encendidas por hasta 1 minuto, tiempo dado por C2 y R2 que se puede cambiar. La carga depende del relé. El circuito es antiguo, de una documentación de 1988, pero totalmente viable en nuestros días.




