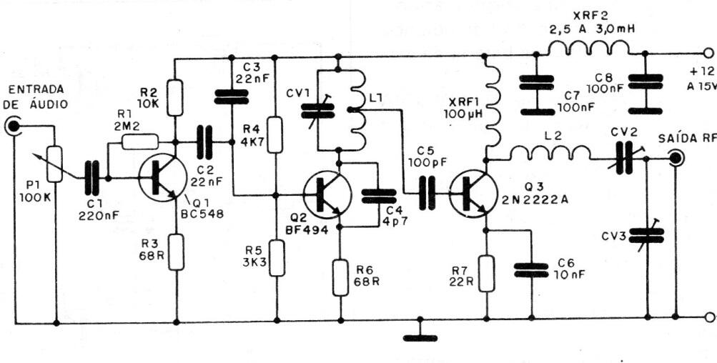
Alimentado por 12 o 13.6 V, este transmisor tiene una potencia de salida del orden de 1 W, lo que proporciona un rango excelente. L1 tiene 2 + 2 vueltas de cable 28 o 26 en forma de 1 cm sin núcleo y L2 tiene 5 vueltas del mismo cable en forma de 1 cm. Los capacitores deben ser de cerámica de buena calidad y la fuente debe proporcionar al menos 1 A.




