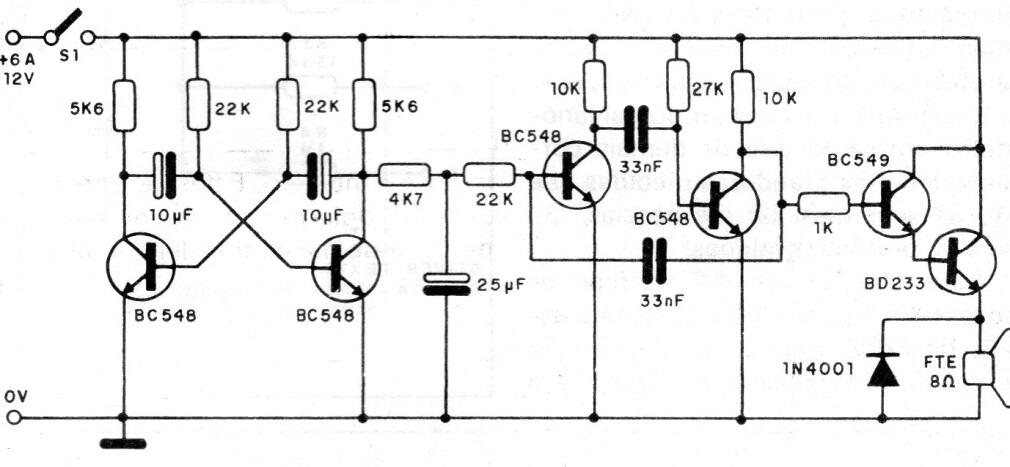
Este circuito que utiliza solo componentes discretos (transistores) imita el sonido de una sirena de policía estadounidense y tiene su propio amplificador de potencia. El transistor de potencia debe estar equipado con un disipador de calor, y pueden requerirse pequeños cambios en los valores de los componentes para lograr un mayor realismo del circuito.




