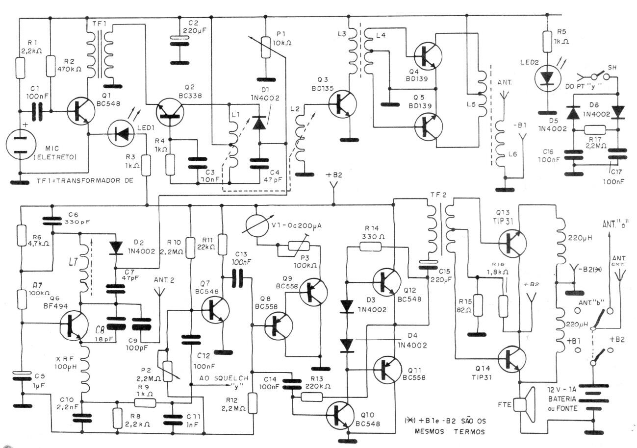
Este transceptor de alta potencia proporciona unos pocos watts de salida que permiten las comunicaciones en largas distancias. L1 tiene 22 vueltas de alambre 22 en varilla de ferrita de 0.5 cm de diámetro con 5 cm de longitud. L2 tiene 10 vueltas de cable 22 al lado de L1. L3 tiene 20 vueltas de cable 22 en una férula de 5 cm de 0.5 cm de diámetro. L4 tiene 10 vueltas de hilo 22 en el lado de L3 en el mismo palo. L5 tiene 20 vueltas de cable 22 en una varilla de 5 cm x 0,5 cm y L6 tiene 5 vueltas de cable 22 en la misma varilla de L5. L7 está formado por 22 vueltas de cable 22 en una varilla de 5 cm x 0,5 cm de diámetro. T1 es un transformador de salida para transistores.




