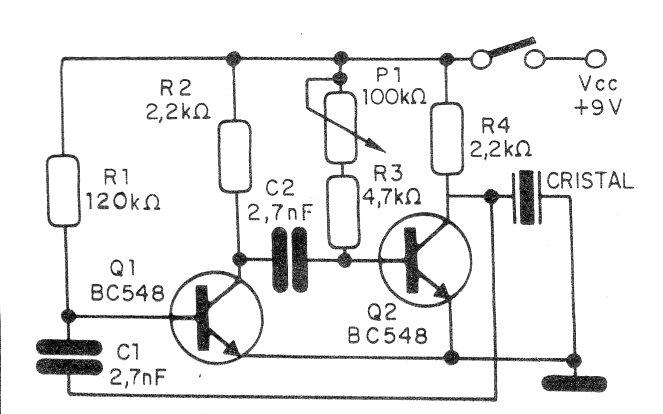
Este circuito de una publicación antigua produce el ruido similar al de un insecto que los aleja. El circuito utiliza un transductor piezoeléctrico en la salida y la frecuencia depende de los capacitores, y estos componentes deben cambiarse para obtener el mejor efecto. El consumo es bajo lo que permite la alimentación por baterías.




