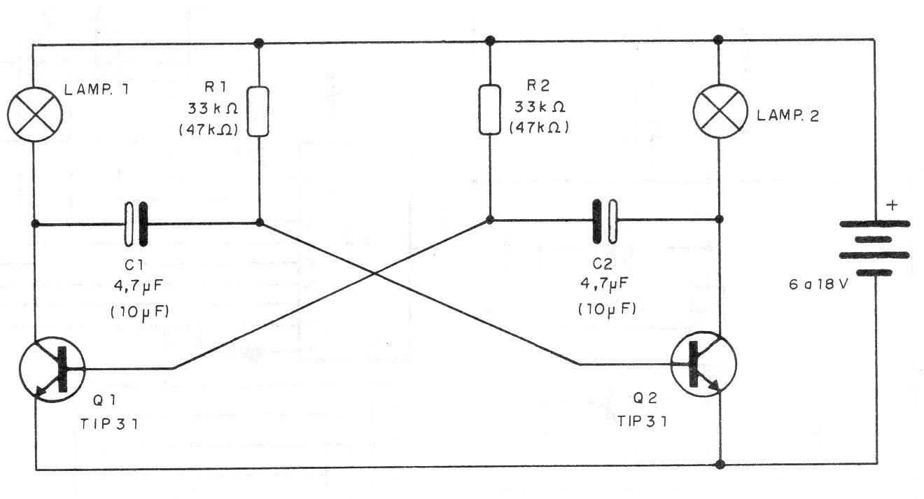
Este circuito convencional de uso lento como bombillas incandescentes se carga, pero se puede cambiar para usar LEDs. Los LED de baja potencia requieren resistores de 330 o 470 ohms en serie y los LED de alto brillo usan resistores de 100 a 220 ohms. La fuente de alimentación se puede hacer con tensiones de 6 a 12 V.




