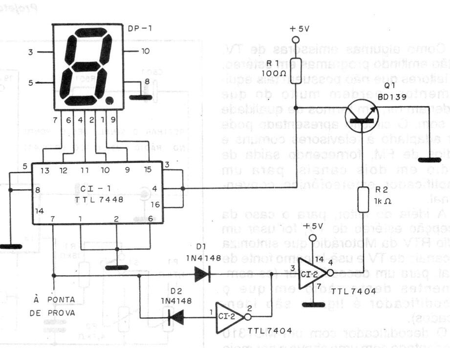
Encontramos este circuito de prueba TTL con indicador en la pantalla de 7 segmentos en una publicación de 1992. La potencia proviene del propio circuito que se está analizando. El display es de tipo cátodo común.

 

Probador Logico Tri State
Probador Logico Tri State | Haga click en la imagen para ampliar |