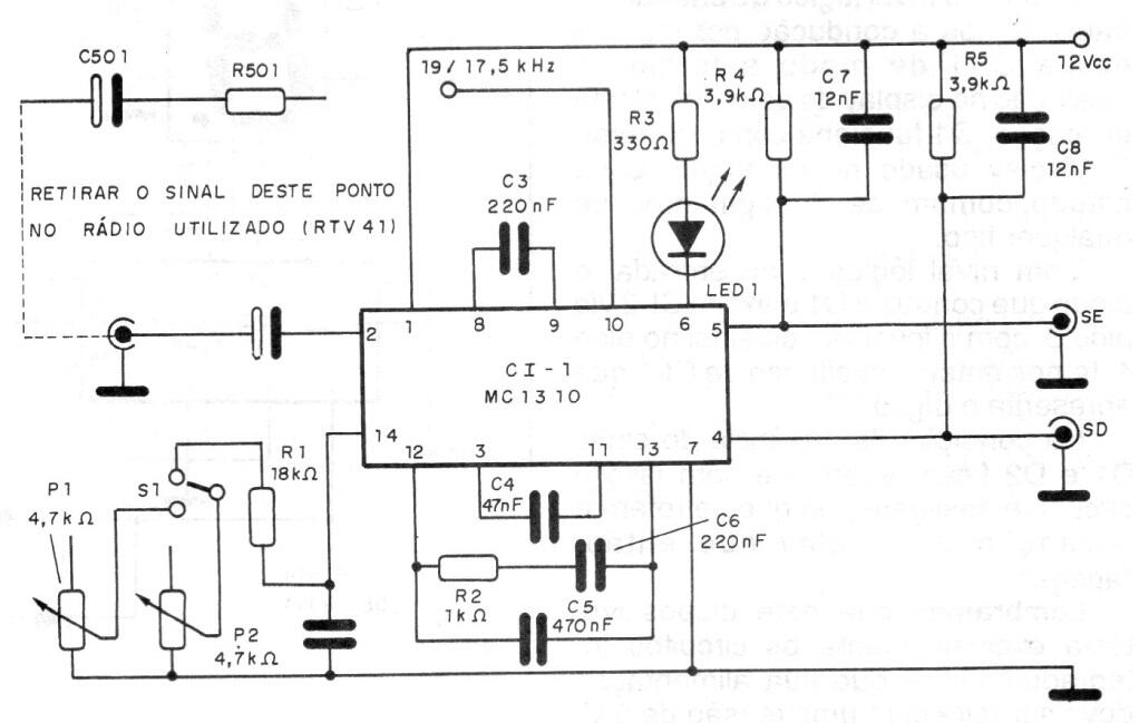
Este circuito de 1992 decodifica las transmisiones estéreo de AM o FM al proporcionar señales de audio a un amplificador externo. El circuito utiliza las señales del discriminador del receptor y debe configurarse para reconocer la señal piloto de 19 kHz en el caso de FM y 15.75 kHz en el caso de televisores analógicos más antiguos.




