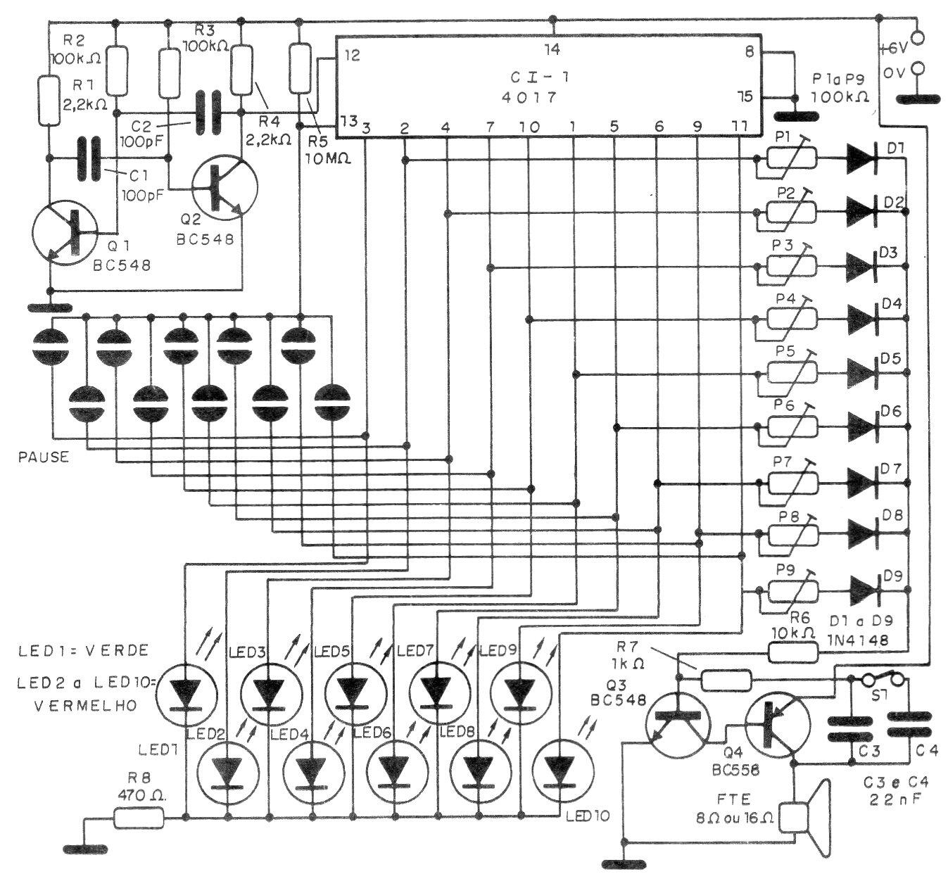
Las teclas de este juguete electrónico son sensores táctiles, y su número se puede ampliar. Cada nota tiene un ajuste realizado en un trimpot y la reproducción del sonido se obtiene en un pequeño altavoz. La alimentación debe ser suministrada por baterías. Nunca use una fuente de energía sin un transformador. La selección táctil se realiza mediante un 4017 que actúa como un sensor secuencial.




