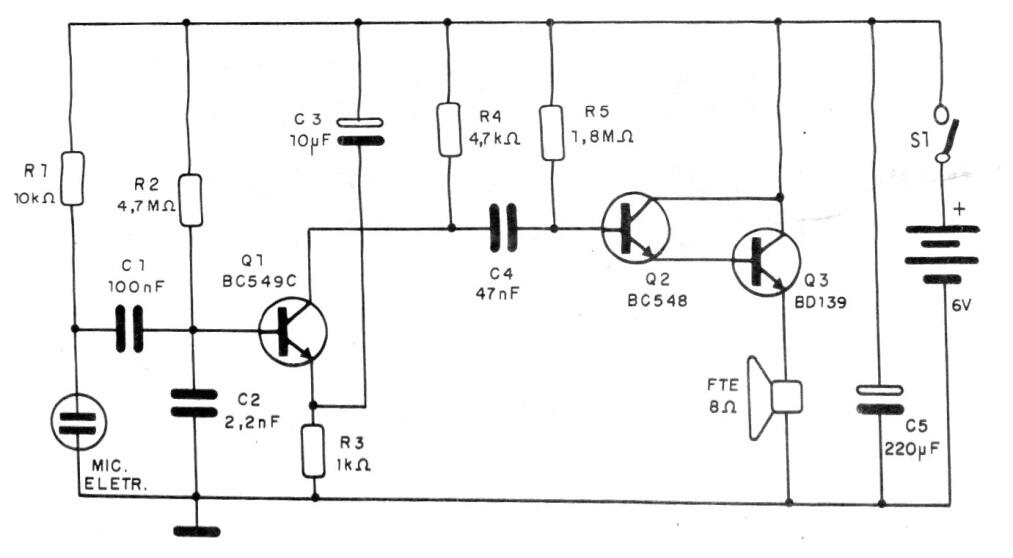
Este megáfono simple es de una documentación antigua, pero usa componentes aún actuales. El circuito es alimentado por 4 baterías grandes y usa un micrófono electreto. El transistor Q3 debe estar provisto de un radiador de calor y S1, preferiblemente debe ser del tipo de presión en la que el circuito se activa solo en el momento de hablar.




