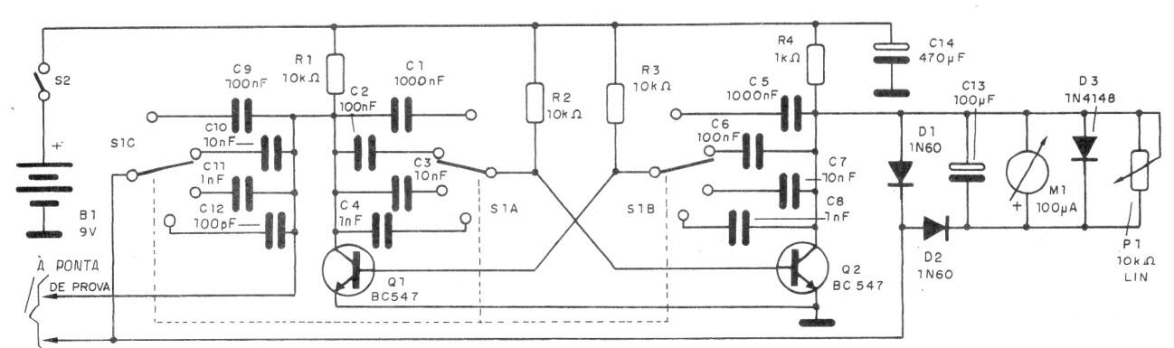
Este simple puente de medición permite medir las capacitancias de algunos picofaradios a microfaradios utilizando como un indicador de 200 uA de escala completa (tipo VU). El circuito es alimentado por una batería de 9 V y tiene varias escalas. La precisión depende de los capacitores utilizados en el circuito.




