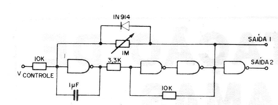
Este circuito produce señales que dependen de la tensión de control en la entrada. Es un oscilador controlado por tensión o un Voltage Controlled Oscilladot. El circuito se puede alimentar con tensiones de 3 a 15 V y la frecuencia central está determinada por la configuración del capacitor y el trimpot.




