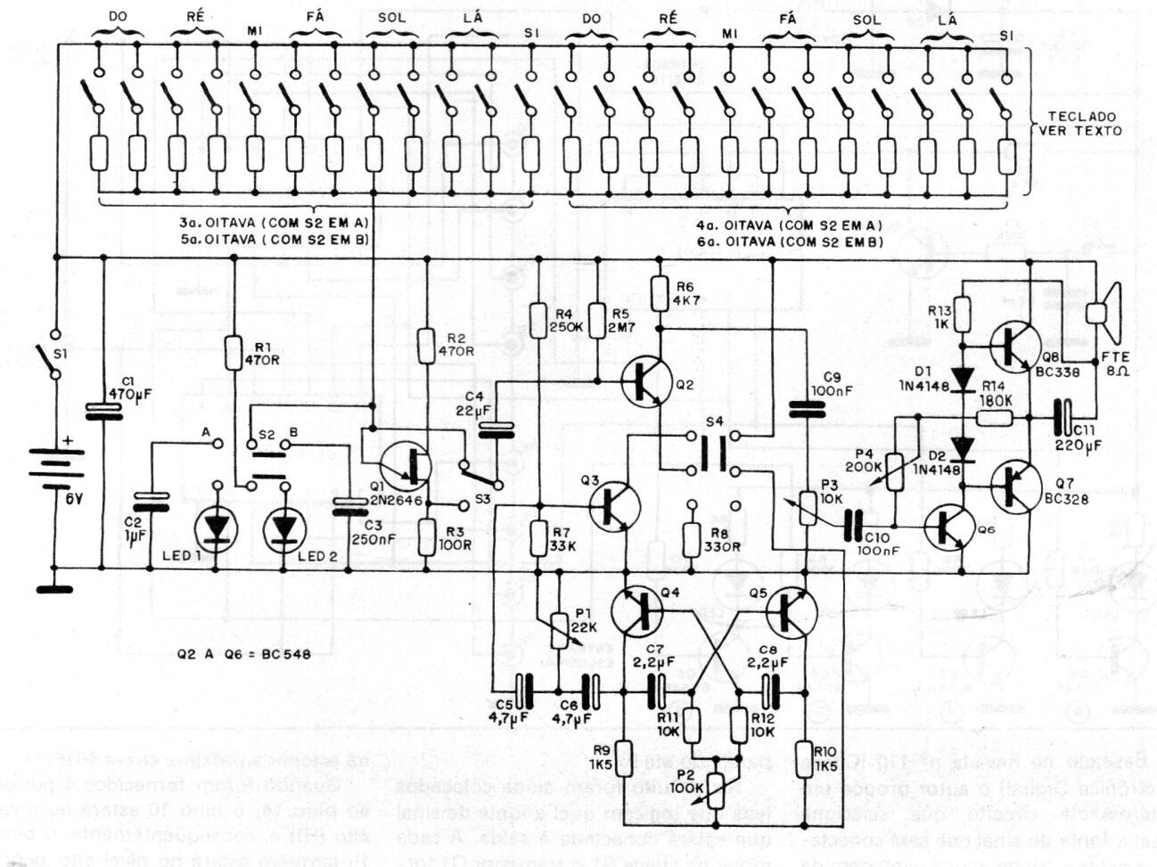
Este circuito, que utiliza solo transistores comunes, se obtuvo en una publicación de 1988, pero se puede ensamblar con facilidad incluso hoy. El circuito tiene los grados determinados por las resistores que junto a las teclas que pueden reemplazarse por trimpots de 100k o 220k para el ajuste individual. El circuito es alimentado por baterías y ya tiene un amplificador de baja potencia.




