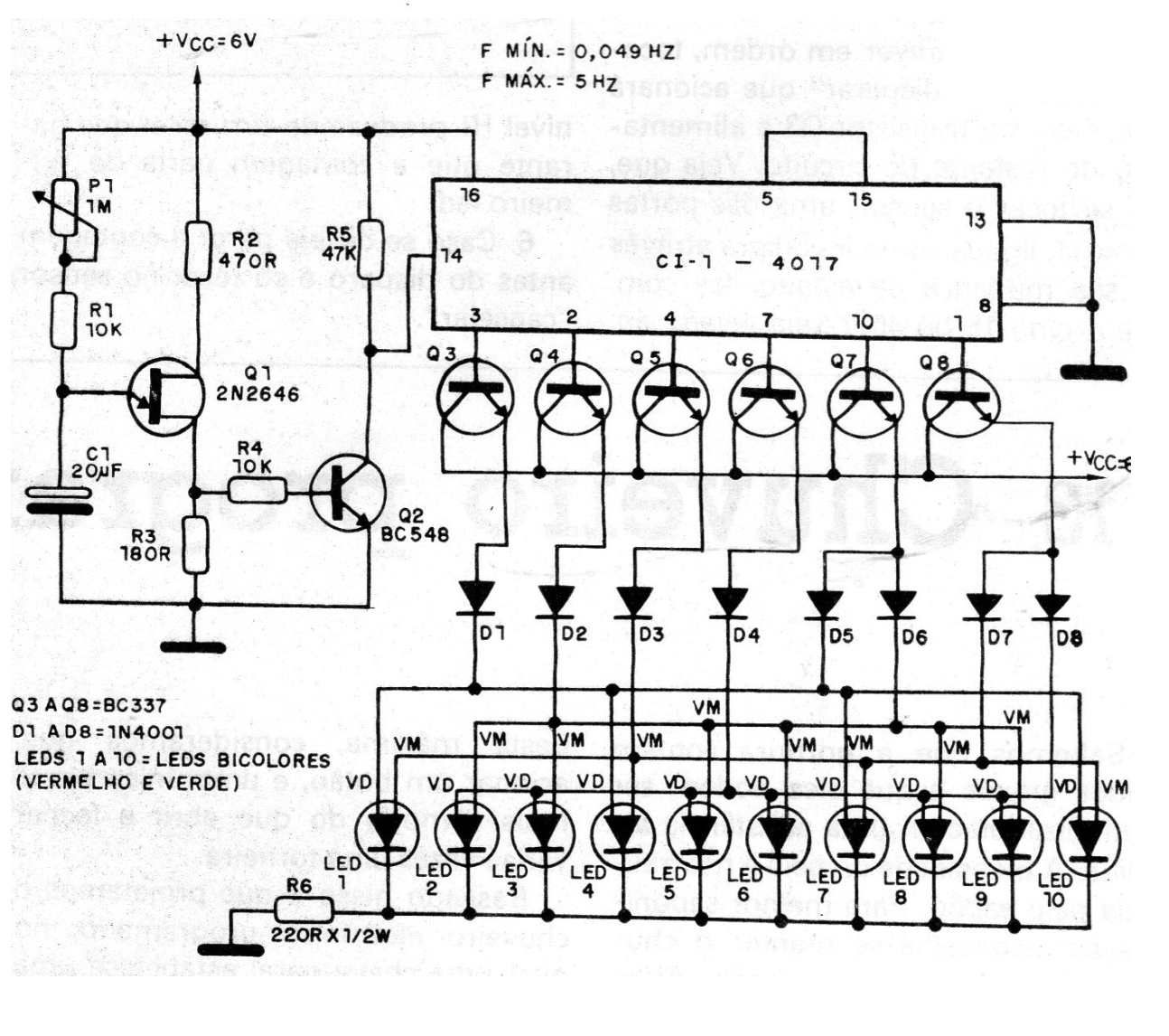
Este circuito de efectos de luz LED es de 1988, pero utiliza componentes que son comunes en la actualidad. Los LED están dispuestos en forma de tres triángulos con los efectos que tienen la velocidad controlada por el ajuste de P1. El circuito puede ser alimentado por baterías o fuente de alimentación.




