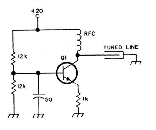
Dependiendo del transistor utilizado, este circuito puede alcanzar 1.5 GHz. El circuito es de una documentación de la década de 1980, lo que sugiere que el 2N918 es un oscilador de transistor. La potencia de salida es del orden de 80 mW. La frecuencia está determinada por una línea sintonizada, como suele hacerse en UHF y microondas.

Oscilador UHF



