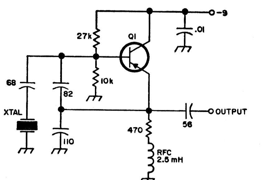
De hecho, este circuito puede oscilar entre 3 y 20 MHz, dependiendo solo de la frecuencia del cristal utilizado. El transistor se puede reemplazar por equivalentes modernos, incluido el NPN, con la inversión de la polaridad de la fuente de alimentación. El circuito es de una documentación de los años 80.




