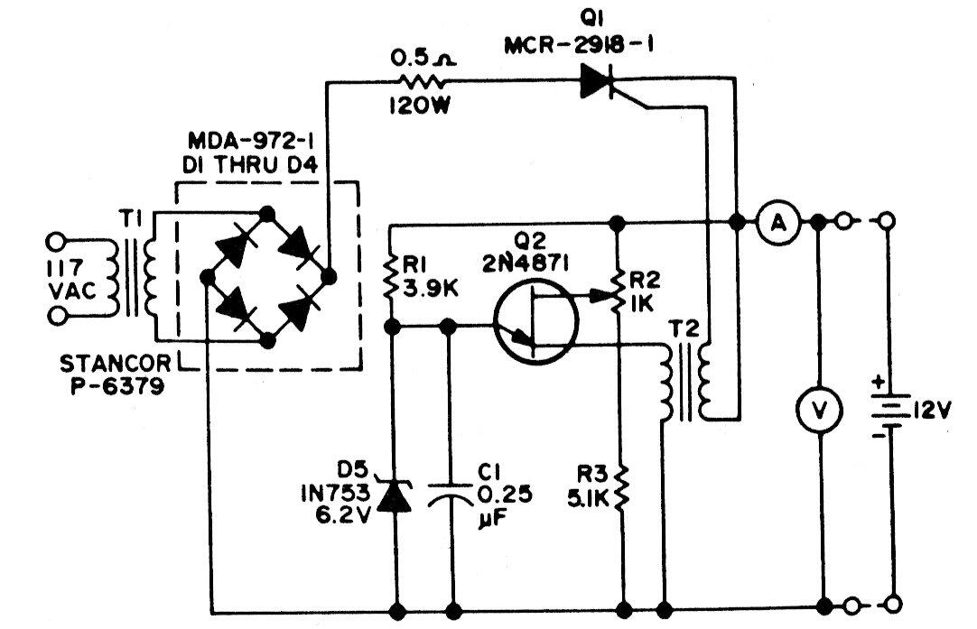
Este circuito tiene algunas características importantes como la protección de la batería contra sobrecarga o carga inversa. El circuito es sugerido por una compañía estadounidense en la documentación de la década de 1980. El transistor de una sola función puede ser 2N2646 y SCR o TIC106. Los diodos puente son 1N4002. El transformador secundario es de 12 V x 1 A.




