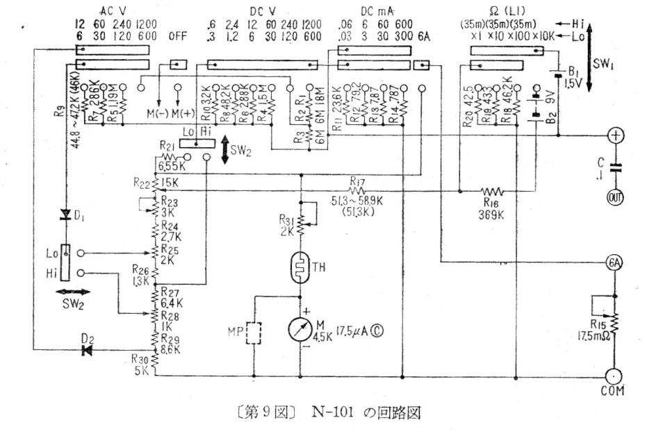
Este circuito comercial N-101 se obtuvo de una publicación japonesa de 1971. Es un circuito típico de la época con indicador analógico y alta sensibilidad de entrada. Los componentes utilizados son de precisión, lo que dificulta su reproducción en un ensamblaje actual.




