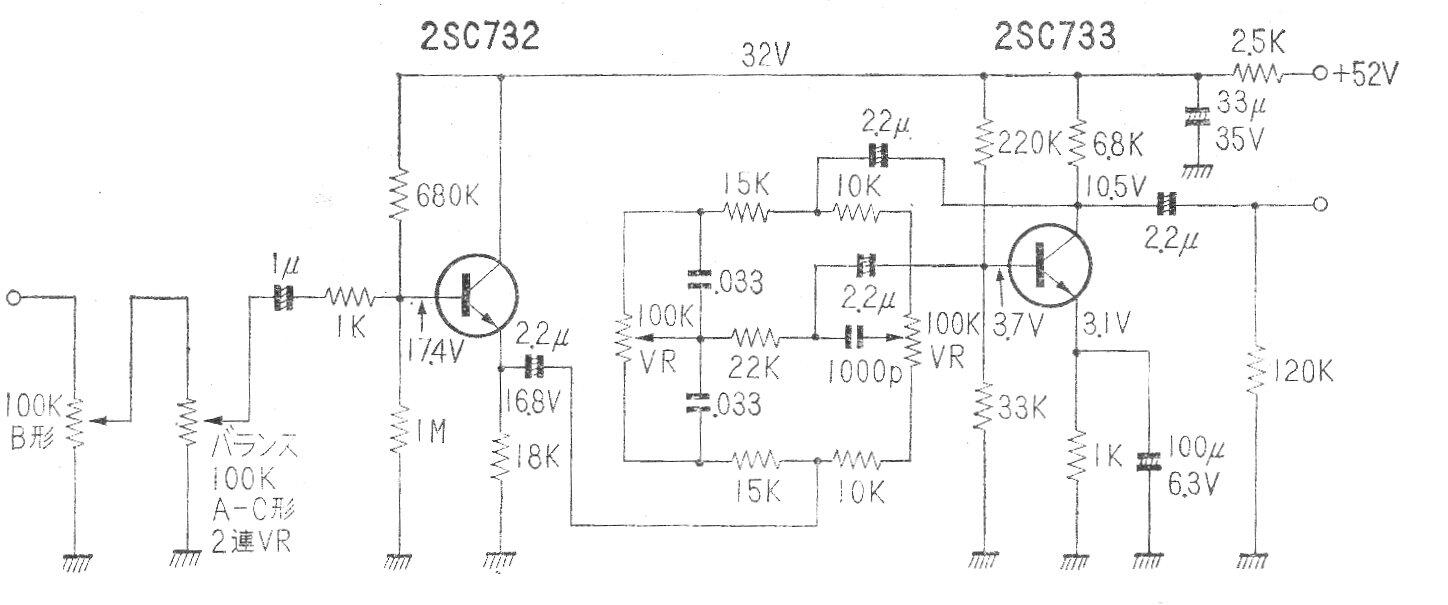
Este circuito se encontró en una revista japonesa de 1973. Utiliza transistores de la época y está alimentado por una alta tensión obtenida del amplificador con el que debería funcionar. El circuito es muy sensible al ruido, proporcionando una buena amplificación.




