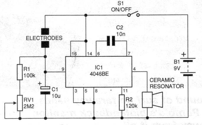
Este circuito se encontró en una documentación en inglés de la década de 1990. Utiliza un CMOS 4046 PLL y funciona con una batería de 9 V. Los sensores son dos electrodos que la persona debe sostener. El timbre es un transductor cerámico común.
Este circuito se encontró en una documentación en inglés de la década de 1990. Utiliza un CMOS 4046 PLL y funciona con una batería de 9 V. Los sensores son dos electrodos que la persona debe sostener. El timbre es un transductor cerámico común.