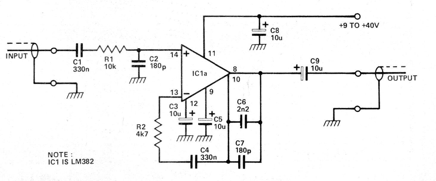
Si el lector está recuperando una vieja grabadora de cassette y necesita un preamplificador para pasar grabaciones de este medio a otros, como una computadora, este circuito puede ser útil. El circuito es de documentación de 1980 y la fuente debe tener una excelente filtración.




