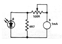
En la figura a continuación tenemos una manera simple de hacer una prueba de función para una célula solar. El circuito es de documentación de 1980 y el resistor 4R7 debe tener una disipación de al menos 1 W para celdas de mayor potencia.

Prueba de células solares



