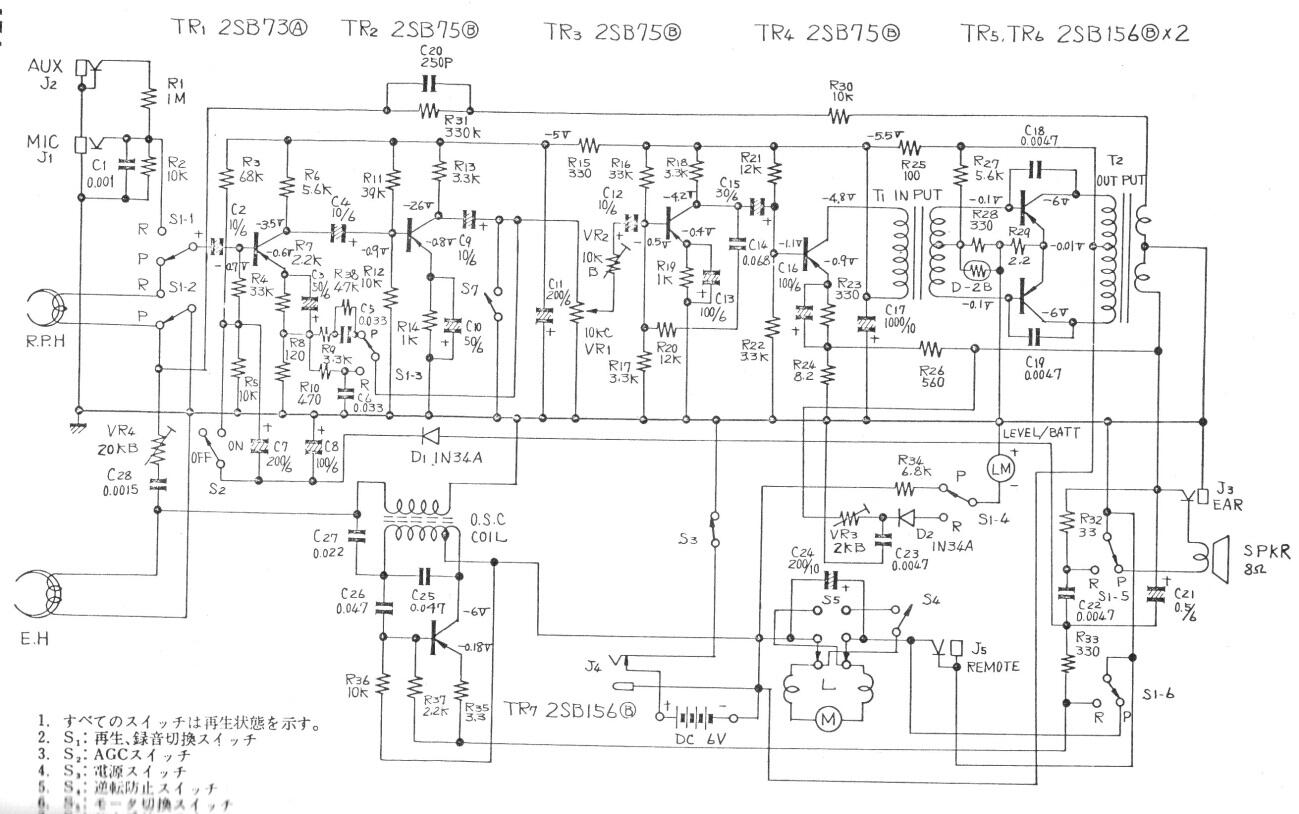
Este es el circuito de la grabadora comercial NEC RMT-200 obtenida de una documentación japonesa de 1968. El circuito completamente transistorizado tenía una salida de tipo push-pull clase B con transformadores y estaba alimentado por una tensión de 6 V de las baterías.




