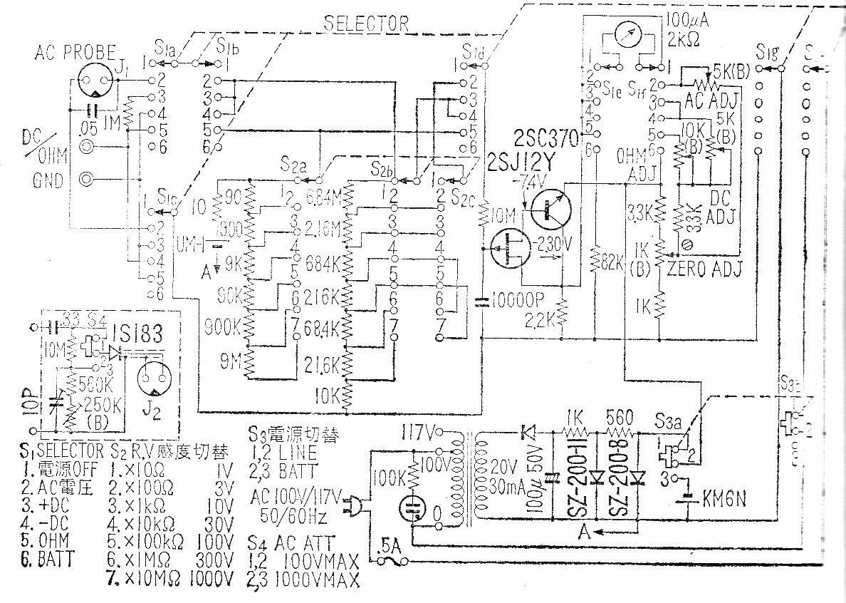
En la figura está el circuito comercial de un voltímetro electrónico japonés de los años 60. El circuito está completamente transistorizado, incluido un FET. La resistencia de entrada era muy alta y la energía suministrada por la red eléctrica.
En la figura está el circuito comercial de un voltímetro electrónico japonés de los años 60. El circuito está completamente transistorizado, incluido un FET. La resistencia de entrada era muy alta y la energía suministrada por la red eléctrica.