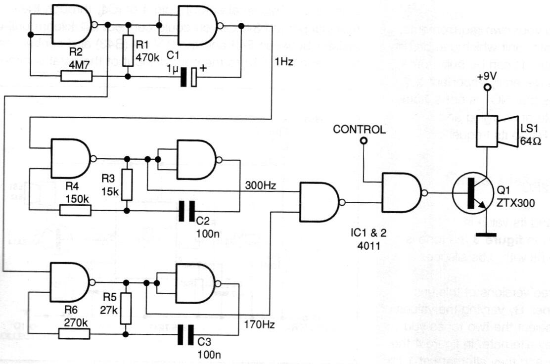
Esta configuración tradicional de alarma de dos tonos con el circuito integrado 4011 se encontró en una documentación de 1998, pero está perfectamente actualizada. El transistor mismo se puede cambiar por equivalente como el BD135 o TIP31. El circuito puede ser alimentado por tensiones de 6 a 12 V.




