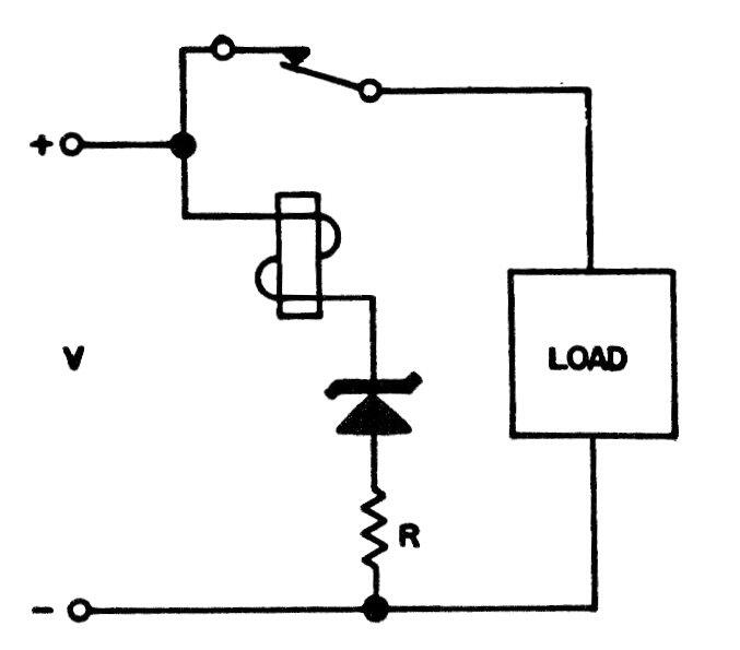
El circuito que se muestra en la figura apaga una carga cuando la tensión cae por debajo del valor determinado por el diodo zener. El resistor depende de la corriente de accionamiento del relé y también de la tensión de este componente. El circuito es de una antigua documentación estadounidense.




