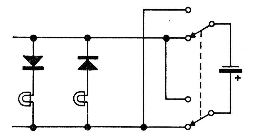
Indicado como una broma o desafío, este circuito muestra cómo es posible controlar dos lámparas usando solo un par de cables. El circuito se puede diseñar en función de los LED en una versión más moderna. El original es de los años 80.
Indicado como una broma o desafío, este circuito muestra cómo es posible controlar dos lámparas usando solo un par de cables. El circuito se puede diseñar en función de los LED en una versión más moderna. El original es de los años 80.