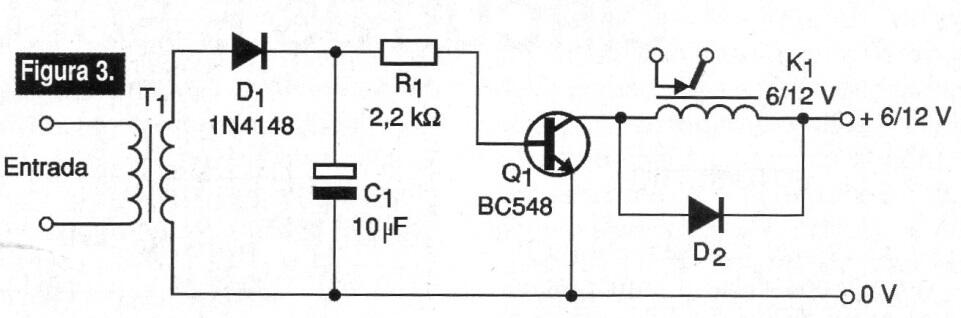
Conectado a la salida de un pequeño amplificador o receptor, este circuito dispara un relé en presencia de la señal de audio. La sensibilidad se controla en el volumen del receptor o amplificador. El circuito puede ser alimentado por 6 o 12 V dependiendo del voltaje del relé utilizado.




