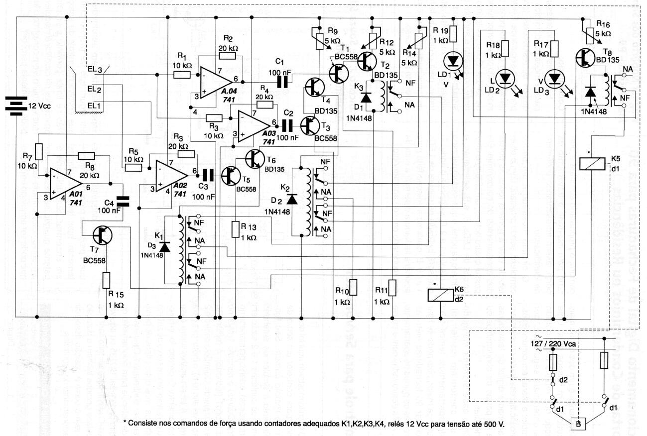
Este tipo de automatismo es muy importante ya que sirve para una multitud de aplicaciones, desde tanques de agua domésticos y pequeños tanques hasta aplicaciones industriales y agrícolas. Esto se debe a la posibilidad de trabajar con varios tipos de líquidos conductores. También existe la posibilidad de adaptar el circuito para que funcione con otros tipos de sensores, como un flotador que tiene un imán y, en lugar de electrodos EL1 a EL3, se utilizan interruptores de láminas. De todos modos, el circuito es bastante versátil y muy sofisticado por la cantidad de elementos que tiene. Tenga en cuenta que para controlar cargas de alta corriente se utilizan contactores. Encontramos este circuito en una documentación de 2008.




