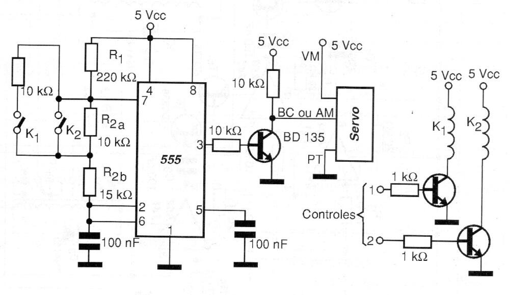
Este es uno de esos circuitos que el diseñador suele buscar, pero tiene problemas para encontrarlo. Su utilidad es evidente cuando se desea utilizar un servomotor común, el tipo que se puede comprar en casas modelo de aeronaves en algún tipo de diseño práctico que implica el control de posición. Por lo tanto, el diseño no se limita a aplicaciones en robótica y modelado, sino que va más allá de su utilidad como el lector puede ver fácilmente. El circuito puede adaptarse para funcionar como un shield de microcontrolador. Encontramos esta configuración en una documentación de 2008.




