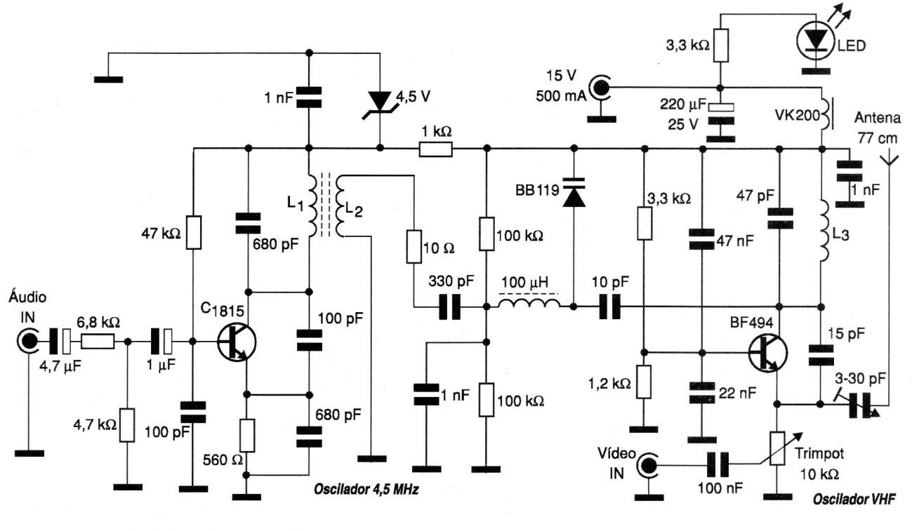
Encontramos este circuito en una documentación de 2008. Transmite señales de video y audio compuesto a un receptor analógico que opera en el rango de VHF, canales 2 a 7. El circuito tiene un rango de unas pocas docenas de metros y puede usarse en un monitoreo o seguridad con una cámara del tipo que proporciona la señal requerida. L1 tiene 38 vueltas de 30 a 32 alambres en un núcleo de transformador IF de 3.5 mm de diámetro. L2 tiene 8 vueltas del mismo cable sobre L1. L3 tiene 4 hilos de alambre con forma de 0,5 cm y núcleo ajustable.




