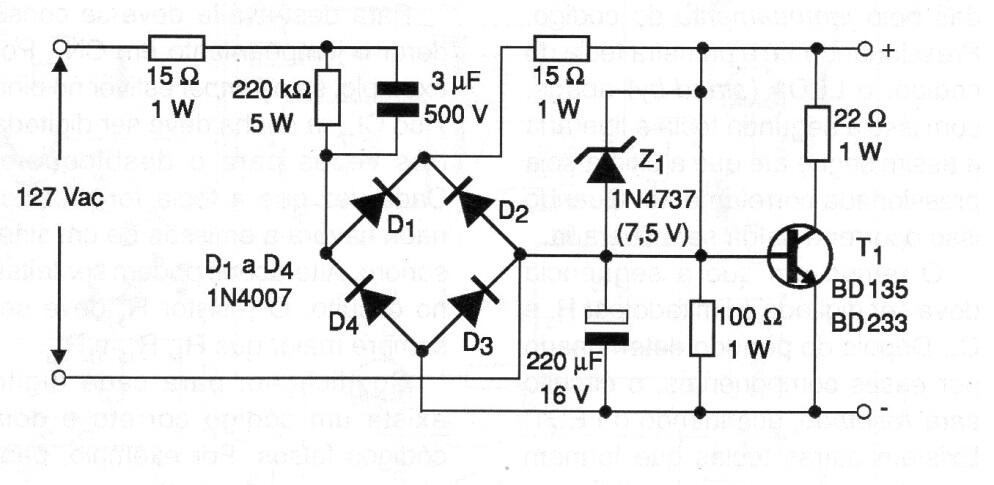
Esta es una de las muchas versiones de cargadores de batería Nicad que tenemos en el sitio web y en esta sección. El circuito se caracteriza por utilizar una fuente de alimentación sin transformador que requiere un manejo cuidadoso para que no se produzcan descargas. El capacitor de 3 uF no es crítico y los tipos de 2.7 a 4.7 uF se pueden usar con una tensión de aislamiento de al menos 400 V. Para la red de 220 V, use un capacitor de poliéster de 1.5 uF a 2, 2 uF con 600 V o más de tensión de aislamiento.




