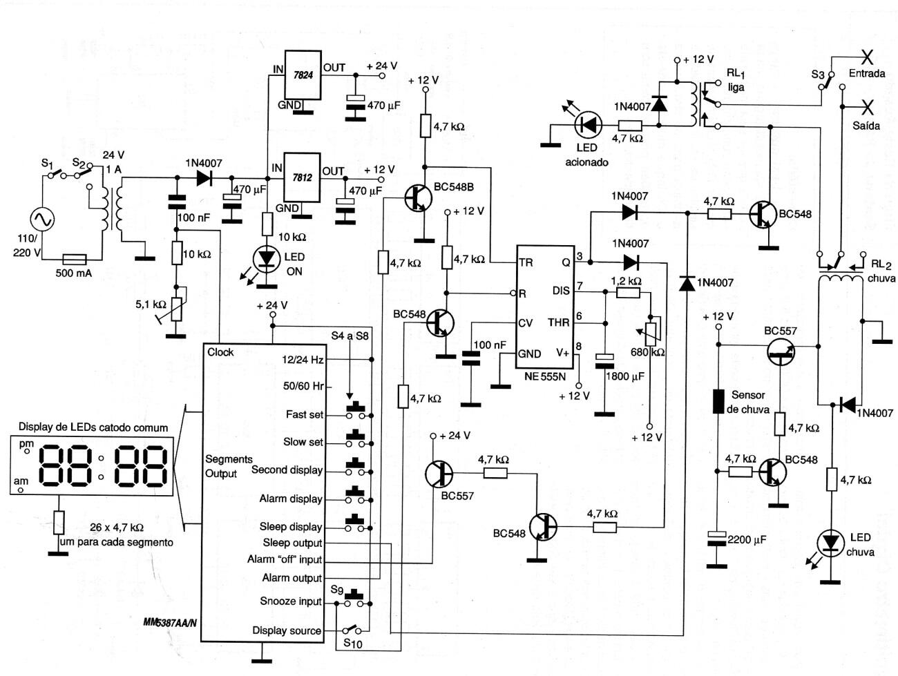
Tenemos una configuración muy interesante que también se puede usar para otras aplicaciones que involucran programación de tiempo. Es un pequeño PLC que se puede utilizar para automatización, timbre, cierre de ventanas a horas programadas, etc. Lo que hará el circuito depende solo de la imaginación de los lectores. Tenga en cuenta que la carga controlada depende solo de la capacidad de los relés empleados. Este circuito es de documentación de 2008. El módulo de reloj es el MM5387AA / N. No es muy fácil de conseguir en estos días.




