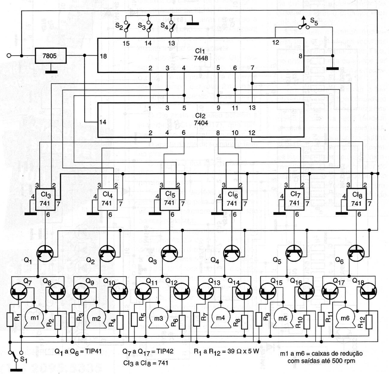
La idea de este automatismo puede extenderse a otras aplicaciones que involucran el control de motores de corriente continua desde entradas lógicas. Por lo tanto, los interruptores de control pueden ser reemplazados por sensores y también por el tipo de unidad. Otra posibilidad es reemplazar los transistores de la unidad con FET de potencia para poder controlar los motores de mayor corriente. Tenga en cuenta que las señales lógicas de control pueden ser generadas por microcontroladores o incluso por la salida de una PC, ya que la lógica utilizada es TTL. El circuito 2008 se puede adaptar para funcionar como un escudo.




