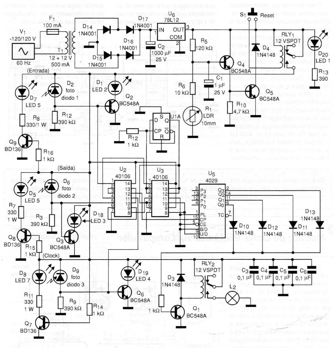
Es un circuito que automatiza la iluminación de un lugar en particular (dormitorio, sala de estar, cocina, baño, pasillo, etc.). Debido a que es un contador de eventos, el sistema mantiene su salida encendida mientras hay personas (hasta 15) en la sala. Cuando uno pasa y corta el primer haz de luz (par de LED y fotodiodo de entrada), el contador se incrementa en uno. Si más de una persona (o más) pasa a través del mismo haz de luz, el contador aumenta en una unidad más. Del mismo modo, tan pronto como una persona pasa a través del tercer haz de luz (par de LED y fotodiodo de salida), el contador se reduce en una unidad y así sucesivamente. El segundo haz de luz (par de LED y fotodiodo del reloj) es el pulso del reloj que se envía al contador y a los eventos. Dado que el conjunto está equipado con un circuito sensible a la luz ambiental (a través de un sensor LDR externo), se ahorra energía porque solo funcionará de noche o dos más oscuro (tiempo cerrado). Es posible usar dos de estos conjuntos de sensores que funcionan para que puedan usarse en los corredores, con cada extremo del pasillo con un conjunto de sensor de entrada / reloj / salida. Las resistencias al lado de los fotodiodos determinan su sensibilidad y eventualmente pueden cambiarse para que coincidan con las características de los componentes utilizados en el proyecto.




