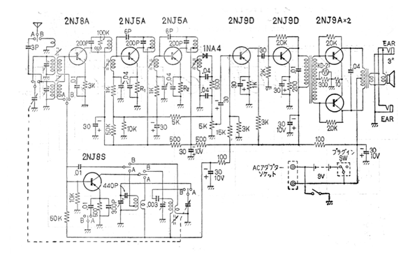
Este receptor de radio de dos ondas (medias y cortas) fue fabricado en Japón en la década de 1960. El circuito tiene 8 transistores con sintonización del rango de onda media y corta de 3.9 a 12 MHz. 9 V y los transistores originales eran germanio.

Radio comercial TR 203



