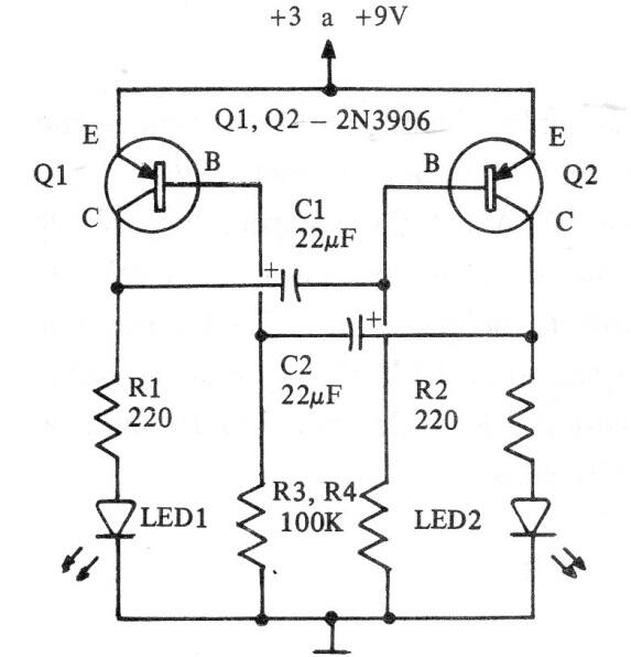
Este multivibrador hace que dos LED parpadeen alternativamente a una frecuencia determinada por los capacitores C1 y C2. Estos capacitores se pueden cambiar en una amplia gama de valores y los transistores pueden ser BC558. Ls resistores en serie con los LED se pueden cambiar de acuerdo con la tensión de alimentación y el brillo deseado de los LED.

Flash de Dos LED



