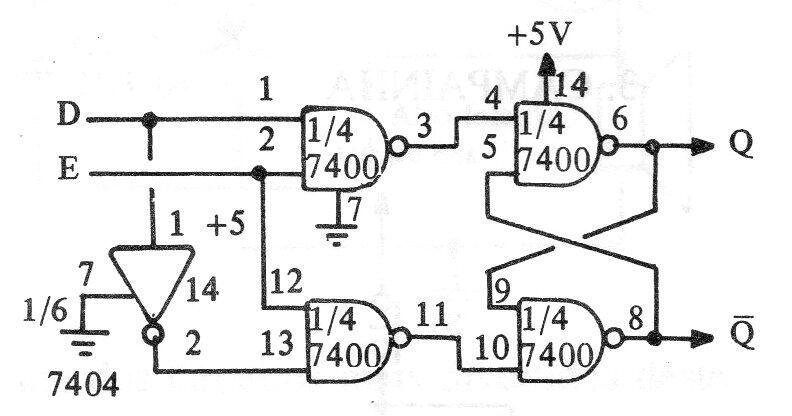
En la figura, mostramos cómo implementar un flip-flop tipo D utilizando el circuito integrado 7400 más una puerta 7404. El circuito debe alimentarse con 5 V y Q = D cuando E está en el nivel alto.

 

Flip Flop TTL Tipo D
Flip Flop TTL Tipo D | Haga click en la imagen para ampliar |